From the Transistor to the Microprocessor: How Simple Switches Built the Digital World

In 1947, inside a laboratory at Bell Labs, three researchers — John Bardeen, Walter Brattain, and William Shockley — created a device that would quietly reshape civilization: the transistor.
At the time, it was a scientific breakthrough in solid-state physics. In hindsight, it was the birth of the digital age.
What makes this story extraordinary is not just the invention itself, but how something so small — a controllable electronic switch — became the foundation of modern computation.
This is the journey from a single transistor to the microprocessor.
1. The Transistor: A Controlled Switch
A transistor can amplify signals. But more importantly for digital systems, it can behave like a switch.
Apply voltage at its control terminal, and current flows. Remove it, and the current stops.
On. Off.
This binary behavior — allowing current to pass or blocking it — is the physical foundation of digital logic.

Simple 2N2222 transistor amplifier and switch
2. From Switches to Logic
By combining transistors, engineers quickly discovered they could implement logical operations.
A single transistor arrangement can create a NOT gate — a circuit that inverts a signal.
With slightly more elaborate configurations, we obtain NAND gates, AND gates, and OR gates.
Each of these logical gates is simply a structured network of transistors.
From these basic elements, all digital reasoning can be constructed.

Logic gates with 2N2222 transistors
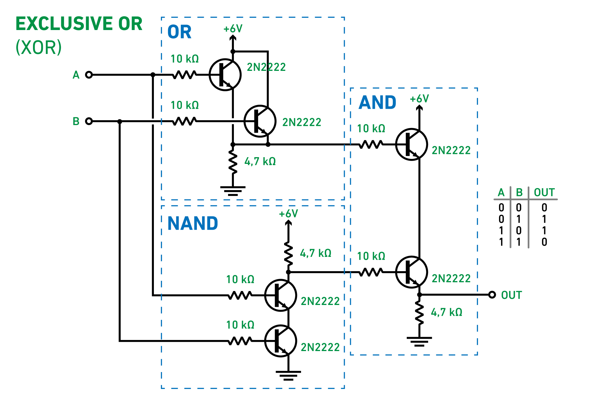
3. Complexity from Simplicity: The XOR Gate
More advanced logical functions emerge from combining simpler ones.
The Exclusive OR (XOR) gate — essential for arithmetic — can be built entirely from combinations of NAND, AND, OR, and NOT gates.
Nothing magical is happening. Just transistors arranged in carefully designed patterns.
This modularity is the secret of digital electronics: complex behavior emerging from very simple components.

XOR gate with 2N2222 transistors
4. The Birth of Silicon Valley: Fairchild Semiconductor
In 1957, eight brilliant engineers left William Shockley’s company and founded Fairchild Semiconductor. They would later be known as the "Traitorous Eight."
Among them were Robert Noyce, Gordon Moore, and Jean Hoerni.
In 1959, Jean Hoerni developed the planar process — a manufacturing technique that allowed reliable transistors to be built directly on silicon wafers, protected by an oxide layer.
This was the breakthrough that made large-scale semiconductor manufacturing possible.
The transistor was no longer just a laboratory device. It became an industrial product.

Hoerni's planar silicon transistor
5. The Integrated Circuit: Kilby and Noyce
Around the same time, Jack Kilby at Texas Instruments demonstrated the first integrated circuit, combining multiple components on a single piece of semiconductor material.
However, it was Robert Noyce at Fairchild who developed the monolithic silicon integrated circuit using Hoerni’s planar process.
This version was scalable, reliable, and manufacturable.
Multiple transistors — interconnected directly on a single silicon chip.
The integrated circuit had arrived.

Noyce's Integrated Circuit
6. TTL and MOS: Two Technological Paths
As integration progressed, two dominant technologies emerged:
- TTL (Transistor-Transistor Logic), based on bipolar junction transistors — fast but power-hungry.
- MOS (Metal-Oxide-Semiconductor), built around MOSFET transistors — slower at first, but far more energy-efficient.
MOS technology would eventually evolve into CMOS, the dominant architecture used in modern processors.

TTL and CMOS Logic

Logic gate symbols
7. The Language of Digital Systems: Binary Numbers
Once logical gates exist, numbers must be represented.
Digital electronics uses binary notation — 0 and 1.
Each bit corresponds to a physical electrical state.
By combining bits, we can represent integers of arbitrary size.
The abstraction of mathematics maps perfectly onto the physics of switching devices.
Values represented in binary, hex and decimal
| Binary (Base-2) | Digital (Base-10) | Hexadecimal (Base-16) |
|---|---|---|
| 0000 | 0 | 0 |
| 0001 | 1 | 1 |
| 0010 | 2 | 2 |
| 0011 | 3 | 3 |
| 0100 | 4 | 4 |
| 0101 | 5 | 5 |
| 0110 | 6 | 6 |
| 0111 | 7 | 7 |
| 1000 | 8 | 8 |
| 1001 | 9 | 9 |
| 1010 | 10 | A |
| 1011 | 11 | B |
| 1100 | 12 | C |
| 1101 | 13 | D |
| 1110 | 14 | E |
| 1111 | 15 | F |
8. Building Arithmetic: Adders
With logical gates, we can construct arithmetic circuits.
A half-adder computes the sum of two bits. A full-adder also accounts for carry-in and carry-out.
By chaining full-adders together, we can build multi-bit addition units.
For example, adding two 3-bit numbers produces a 4-bit result.
At this stage, we already possess the computational core of a processor.

Half adder and full adder
9. Intel and the First Microprocessor
In 1968, Robert Noyce and Gordon Moore left Fairchild to found Intel.
In 1971, Federico Faggin, Ted Hoff, and Stan Mazor introduced the Intel 4004 — the first commercially available microprocessor.
For the first time, an entire central processing unit was integrated onto a single chip:
- Arithmetic logic
- Registers
- Control logic
Thousands of transistors working together as a programmable brain.
The age of personal computing had begun.

Intel C4004 processor (CC BY-SA 4.0 Stelo.xyz, Pttn)
10. From a Switch to Civilization
In less than 25 years, technology moved from a single experimental transistor to a fully integrated microprocessor.
From Bell Labs to Fairchild. From Fairchild to Intel. From discrete components to billions of transistors on a chip.
And yet, the underlying principle has not changed.
Modern artificial intelligence systems, cloud servers, smartphones, and supercomputers still rely on the same fundamental mechanism:
A transistor that allows current to pass — or not.
On. Off.
Everything else is architecture.
Alexandre Vialle

Chip layout from the development phase of the Intel 4004 (CC0)

Intel's pioneers in 1978: Andy Grove, Robert Noyce and Gordon Moore